Kajer
Utöver nedanstående text angående kajer gäller beständighet, utformnings- och dimensioneringskrav enligt fliken Broar.
Kajplan och kajkonstruktioner dimensioneras enligt Eurocodes dock minst för en jämnt fördelad nyttig last om 20 kPa.
Vid betraktande av kajens stabilitet antas kajen belastas vinkelrätt krönbalken med 20 kN/m och parallellt kajen med 5 kN/m. Kajkonstruktion ska kunna uppta en horisontell stötkraft från fartyg om 0,75 MN, γf=1,3, och lastlängd 1m.
Geoteknisk klass GK 2 och Säkerhetsklass 2 gäller.
Teknisk livslängd är 120 år.
Sponten ska dimensioneras för en vattenståndsskillnad på 0,5m för vanligt lastfall, då vattenytan utanför spont/kaj går ner efter högt vattenstånd.
Stödkonstruktioner och kajspont med en krönbalk av betong utförs med minst 200 mm visning mot markplanet innanför, för att fungera som nerrullningsskydd.
Fyllning
Fyllning utförs med friktionsmaterial med en inre friktionsvinkel, φ ≥ 34˚. Packning under medelvattenytan utförs med Vibrovinge eller likvärdigt.
Antal nerstick och inbördes avstånd bestäms efter provpackning och i överenskommelse med beställaren.
Över medelvattenytan packas fyllnadsmaterial enligt AMA Anläggning 17, tabell CE/3.
Spont
Sponten ska dimensioneras, förutom för jordtryck i det permanenta skedet, för avrostning och slagning.
Spont ska dimensioneras för mycket hård slagning i kalkberg och ska ha en styvhet och stålkvalitet därför.
För att få ner spontplankorna till erforderlig nivå kan förborrning eller förspräckning av kalkberget komma att erfordras.
Slagningen av sponten utföras på ett sådant sätt att vibrationerna i närliggande byggnader ger en partikelhastighet mindre än 3 mm/sek i bandet 10 till 60 Hz. Detta dokumenteras av entreprenören genom kontinuerliga mätningar. Resultaten förvaras hos entreprenören under hela entreprenadtiden och hålls tillgängligt för beställaren.
Spontprotokoll upprättas i samband med slagningen och redovisas kontinuerligt för beställaren.
Spont får inte kapas förrän den godkänts av beställaren.
Spont som ansluter till befintliga konstruktioner ska tätas på ett betryggande sätt, så att erosion och utspolning av fyllnadsmassor inte kan ske.
I byggskedet ska sponten avsträvas i nödvändig omfattning för vågor och andra förekommande vattenrörelser.
En permanent spont av stål ska uppfylla krav på rostmån och korrosionsskydd.
Detta innebär en minsta rostmån på 9 mm. Detta oberoende om annat skydd monteras. Till detta kommer den statiskt verksamma delen som ska finnas kvar efter 120 år.
Betongpågjutning utsida spont ska utföras ner till -1m under MW.
Betongpågjutning insida spont ska utföras ner till MW och innesluta bakåtförankringen.
För ytbehandlad spont får friktion eller adhesion mellan spont och jord inte tillgodoräknas. För ytbehandlad spont får friktionen i spontlåsen inte tillgodoräknas.
En permanent spont får vara av trä, om beställaren så anger, och då i samband med träspont runt damm eller i kanal. Det ska verifieras att tillåtna rörelser och andra krav i bruksgränstillståndet inte överskrids
Förankring - stag
Bakåtförankringen utförs med sneda stag förankrade ner i kalkberget, alternativt med horisontella stag och ankarplatta i betong.
Konstruktionerna ska dimensioneras för ett godtyckligt stagbortfall. Vid stagbortfall tillåts förhöjda spänningar i ingående konstruktionsdelar, spänningen i stål får uppgå till sträckgränsen och spänningen i betong till halva kubhållfastheten. Dubbla stag vid kajavslutningar ska utföras.
Hammarband och infästning stag får inte utföras så att stagkraften tas i dragen svets.
Samtliga stag ska provdras och förses med dubbelt korrosionsskydd. Hela stagkraften ska nedföras till botten i förankringszonen, så att hela förankringskroppen blir tryckt. Stag ska uppfylla krav enligt SS-EN 1537. Kalldraget stål får inte användas.
%20pasted%20image%20357x282.jpg)
Exempel på ankarplatta i betong. Mått får inte åberopas. Ska beräknas i varje objekt.
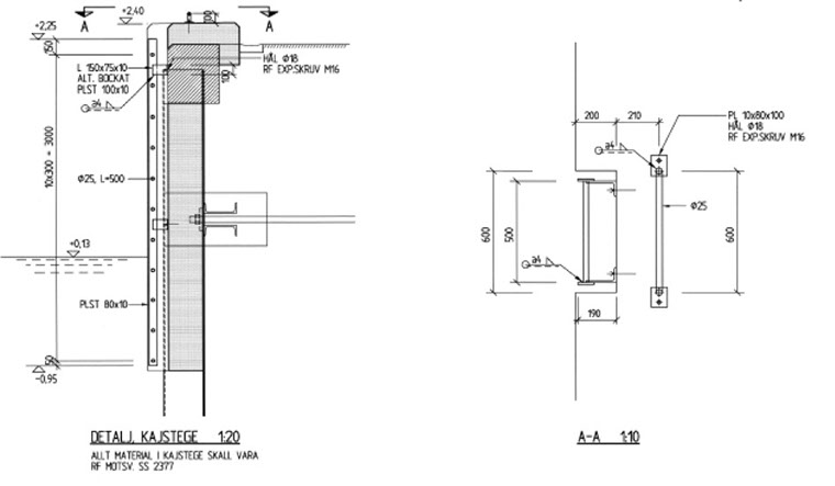
Infällda kajstegar ordnas med centrumavstånd max 50 m. Handtag på betongkrönbalk monteras med låsta beslag. Material i rostfritt stål SMO 254 (EN 1.4547) eller SS 142377 (EN 1.4462). Kajstege av typ repstege accepteras inte.

Typsektion från Hjälmarekajen. Överkant krönbalk ska utföras med 20 cm överhöjning. Mått kan här ses som gällande. Stege ska gå ner till minst 1 m under MW.
Fäste för räddningslina, monteras i pågjutningen, alternativt svetsas i spont med lämplig elektrod och plastad 10 mm rostfri räddningslina monteras, ca 0.2. över medelvattenytan. Avstånd för fästen max 5 m men ska anpassas om kajen går i radie så att linan inte ligger mot kajfronten utan att det går att föra handen emellan.
Pollare
Pollaren målas gul i kulör NCS S0580Y.
Täckfärgen ska gå in ca 10 mm på betongen för att täcka sprickan så att vatten inte rinner ner mellan stål och betong.
Pollare, ska om inget annat anges, beräknas för en pollarlast om 500 kN.
Överkant pollarfot ska placeras i nivå med överkant krönbalk.
Försänkning i pollarfot, till pollarens förankring, ska fyllas med lämpligt material, för att hindra att vatten tränger ner.
Sidan senast uppdaterad:
